Fluxio
Elbranschens mötesplats
Hem
Artiklar
Forum
Hjälp
Forum Hjälp
Forum Regler
FAQ
Index
Senaste ämnen
Sök
Index
Senaste ämnen
Sök
Forum
Elbranschen
Teknik
Strömrelä symbol
Strömrelä symbol
Första
Tillb
1
Nästa
Sista
1
Rikard Ågren
Författare till inlägg
Offline
Moderator
Mindre
Mer
Inlägg: 1705
Tack mottaget: 185
12 mar 2014 19:56
#1
av
Rikard Ågren
Strömrelä symbol
skapades av
Rikard Ågren
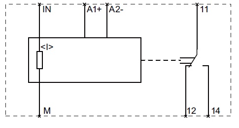
Hur ritas ett strömövervakningsrelä på kretsschema?
Projektledare el, styr och automation
Be
Logga in
eller
Skapa ett konto
ansluta till konversationen.
Marcus
Offline
Senior
Mindre
Mer
Inlägg: 290
Tack mottaget: 44
12 mar 2014 20:12
#2
av
Marcus
Svar från
Marcus
i ämnet
Strömrelä symbol
Så här kanske <I>
Bilagor:
Följande användare sa tack:
Rikard Ågren
Be
Logga in
eller
Skapa ett konto
ansluta till konversationen.
Första
Tillb
1
Nästa
Sista
1
Kategorier
Elbranschen
- Nyheter
- - Produktnyheter
- - Branschnyheter
- Föreskrifter och Standarder
- Utbildning, kurser, mässor
- Mätteknik
- Elmiljö
- Elmotorer
- Teknik
- Säkerhetssystem
- Kommunikationsnät
- Elmaterial
- Belysning
- - LED
- - Belysningsstyrningar
- Elinstallationer
- Elnät, högspänning
- Elhistoria
- Showroom
- Fackligt, branschen, avtal
- Fulel och hemska fynd
- - Elfel i TV-program
Kontoret / Företaget
- Företagande
- Företagsekonomi
- Juridik
- Fordon, verktyg, maskiner, teknikprylar
- Datorprogram, Internettjänster
Övrigt
- Om Fluxio Forum
- Offtopic
- Köp och Sälj
Forum
Elbranschen
Teknik
Strömrelä symbol
Sidan laddades på: 0.038 sekunder
Powered by
Kunena Forum
Kom ihåg mig
Skapa inloggning
Glömt användarnamn?
Glömt lösenord?
Senaste foruminlägg
Skillnad på Metrel MI61557 vs MI3152/Eurotest XC
(2 Inlägg)
I
Elbranschen
/
Mätteknik
av
Mikael G
09 apr 2026 06:26
2,5>1,5mm
(2 Inlägg)
I
Elbranschen
/
Elmaterial
av
Bo Siltberg
05 apr 2026 12:12