Ik3 max?

28 mar 2015 08:01 - 28 mar 2015 08:03 #21 av Michell Martic
Svar från Michell Martic i ämnet Ik3 max?
Här är några riktiga exempel.

Anslutningspunkter Z1 & Z0/Zför:
  • Z1: 145,4mΩ, Z0: 397,6mΩ
  • Z1: 125,6mΩ, Z0: 265,2mΩ
  • Z1: 81,8mΩ, Z0: 174,7mΩ
  • Z1: 80,8mΩ, Z0: 172,3mΩ
  • Z1: 68,2mΩ, Z0: 145,7mΩ
  • Z1: 37,4mΩ, Z0: 75,7mΩ
  • Z1: 99,9mΩ, Z0: 246,5mΩ
  • Z1: 105,6mΩ, Z0: 258,7mΩ
  • Z1: 129,5mΩ, Z0: 308,7mΩ

Be Logga in eller Skapa ett konto ansluta till konversationen.

28 mar 2015 10:01 #22 av Mikael Malmgren
Svar från Mikael Malmgren i ämnet Ik3 max?
dpPower?

Elkraftingenjör och konsult med specialitet inom Reläskydd, Selektivplaner och Elkraftberäkningar. Även stort intresse för föreskrifter & standarder samt projektledning och entreprenadjuridik.


Mikael Malmgren Installatörsbehörighet: A

www.elektroinvent.se

Den här e-postadressen skyddas mot spambots. Du måste tillåta JavaScript för att se den.

Be Logga in eller Skapa ett konto ansluta till konversationen.

28 mar 2015 10:03 - 28 mar 2015 10:04 #23 av Michell Martic
Svar från Michell Martic i ämnet Ik3 max?
Word...! :)
Är inne och arbetar lite över helgen. Mycket att göra nämligen.

Be Logga in eller Skapa ett konto ansluta till konversationen.

28 mar 2015 10:09 #24 av Mikael Malmgren
Svar från Mikael Malmgren i ämnet Ik3 max?
Det skulle ge följande KS-strömmar med E = 400/rot(3) V

Ik3 Ik2 Ik1
1588 1376 1006
1839 1592 1342
2823 2445 2048
2858 2475 2075
3386 2933 2456
6175 5348 4603
2312 2002 1552
2187 1894 1474
1783 1544 1220

Där faktorn Ik2/Ik3 (0,86 eller inversen 1,15) vilket stämmer med ovan. :)
Där Ik3 ungefär 1,5 * Ik1 om vi antar att Z2 = Z1, vilket är ett normalt antagende.

Elkraftingenjör och konsult med specialitet inom Reläskydd, Selektivplaner och Elkraftberäkningar. Även stort intresse för föreskrifter & standarder samt projektledning och entreprenadjuridik.


Mikael Malmgren Installatörsbehörighet: A

www.elektroinvent.se

Den här e-postadressen skyddas mot spambots. Du måste tillåta JavaScript för att se den.

Be Logga in eller Skapa ett konto ansluta till konversationen.

28 mar 2015 10:10 #25 av Mikael Malmgren
Svar från Mikael Malmgren i ämnet Ik3 max?
Så ihop tryckt var det inte när jag skrev det!! :S

Elkraftingenjör och konsult med specialitet inom Reläskydd, Selektivplaner och Elkraftberäkningar. Även stort intresse för föreskrifter & standarder samt projektledning och entreprenadjuridik.


Mikael Malmgren Installatörsbehörighet: A

www.elektroinvent.se

Den här e-postadressen skyddas mot spambots. Du måste tillåta JavaScript för att se den.

Be Logga in eller Skapa ett konto ansluta till konversationen.

28 mar 2015 10:18 #26 av Michell Martic
Svar från Michell Martic i ämnet Ik3 max?
Nä, jag vet. Fluxio gör så med texten.

Be Logga in eller Skapa ett konto ansluta till konversationen.

28 mar 2015 10:25 - 28 mar 2015 10:27 #27 av Michell Martic
Svar från Michell Martic i ämnet Ik3 max?
Nu hinner jag inte köra alla, men den första fick jag till följande:
Ik3 = 400V / (31/2 * 145,4mΩ) = 1588,3A
Ik1 = 400V / (31/2 * 397,6mΩ) = 580,9A

Så med Ik3 är vi nog överens, men med Ik1 verkar vi tänka olika.

Be Logga in eller Skapa ett konto ansluta till konversationen.

28 mar 2015 10:58 #28 av Mikael Malmgren
Svar från Mikael Malmgren i ämnet Ik3 max?
Ja, jag använder formeln som jag skrev ovan för symetriska komponeter

Enfasfel Ik = 3E/(Z1+Z2+Z0)

Vid enfasfel beror felströmmen på både plus-, minus- och nollföljdsimpedansen.

Elkraftingenjör och konsult med specialitet inom Reläskydd, Selektivplaner och Elkraftberäkningar. Även stort intresse för föreskrifter & standarder samt projektledning och entreprenadjuridik.


Mikael Malmgren Installatörsbehörighet: A

www.elektroinvent.se

Den här e-postadressen skyddas mot spambots. Du måste tillåta JavaScript för att se den.

Be Logga in eller Skapa ett konto ansluta till konversationen.

28 mar 2015 11:51 - 28 mar 2015 11:59 #29 av Michell Martic
Svar från Michell Martic i ämnet Ik3 max?
Vid dimensionering på LSP så räknar du inte med något bidrag från de andra två faserna. Den bilden är ganska klar i SS 424 14 05, 7.3 Enfasig jordslutning.

Ik1 = (c * U0) / (ZN + Zkabel)

  • c = spänningsfaktorn
  • U0 = Ufn = Spänning mellan fas och neutralpunkt
  • ZN = (2(ZQ + ZT) + Z0) / 3
  • ZQ = U02 / Sk3Q = överliggande näts bidrag
  • ZT = transformatorns impedans i lindningen
  • Z0 = Nollföljdsimpedansen
  • Zkabel = all föregående kabel, delas upp i ZM och ZL

Varför har man då beräknat Ik1 utan bidrag från de andra faserna i standard? Jag själv misstänker att det har att göra med att det är osäkert hur mycket de andra faserna bidrar med vid felfallet i praktiken så då utgår man från det lägsta man kan tänka sig kan inträffa. Och även DP räknar på detta sättet vid dimensionering på LSP, vilket framgår i beräkningshandboken i punkten 8.2.3. Med bakgrund av detta så kan man ju då fråga sig vilken nytta spänningsfaktorn c gör om vi redan räknat ner värdet genom att försumma bidrag från övriga faser, men det är ju en annan tråd . ;)

Be Logga in eller Skapa ett konto ansluta till konversationen.

28 mar 2015 13:47 #30 av Mikael Malmgren
Svar från Mikael Malmgren i ämnet Ik3 max?
Z1 = plusföljden Z+
Z2 = minusföljden Z-
Z0 = nollföljden

Jag har alltså inte tagit "hänsyn" till andra faser.

När jag tänker efter så undrar jag om dina värden från dpPower är i ohm eller ohm/fas??
Jag skall ärligt säga att jag är inte så bra på kortslutningsberäkningar i LSP, men när det gäller kortslutningsberäkning i 130 och 400 kV direktjordade nät har jag fått lära mig att enfasig kortslutning är i storleksordningen av trefasig.

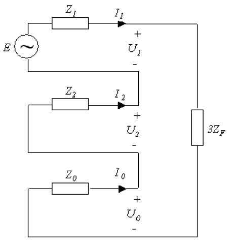
Nedan figur över sekvensnätskoppling för ett enfasfel med felimpedans ZF.



Elkraftingenjör och konsult med specialitet inom Reläskydd, Selektivplaner och Elkraftberäkningar. Även stort intresse för föreskrifter & standarder samt projektledning och entreprenadjuridik.


Mikael Malmgren Installatörsbehörighet: A

www.elektroinvent.se

Den här e-postadressen skyddas mot spambots. Du måste tillåta JavaScript för att se den.
Bilagor:

Be Logga in eller Skapa ett konto ansluta till konversationen.

28 mar 2015 14:25 #31 av Michell Martic
Svar från Michell Martic i ämnet Ik3 max?
Z1, eller Z+ är Ω/fas i DP.
Z0, Zför eller jordslutningsimpedansen är Ω för hela jordslutningsslingan, med förväntad retur i återledaren.
Båda beräkningarna förutsätter försumbar impedans i själva felstället.

I region- och stamnät så är det säkert så att Ik1 är i häraden av Ik3. Det är inget jag är direkt bekant med så, men den skulle ju kunna vara det av logiska skäl. HSP skiljer väl från LSP på så sätt att ett jordfel går genom jordskorpan och inte genom en returledare. Vid retur genom jordskorpan så har du ju enbart övergångsresistansen i jordfelet (vilken antagligen försummas vid beräkning) samt övergångsresistans i jordtaget att ta hänsyn till, vilket inte har särskilt hög impedans i relation till den i fasledarna, istället för impedansen i en returledare. Impedansen för HSP TN får ju inte högre impedans för returen bara för att du går längre ut på linjen, medans på LSP så är det troligt att Z0 ökar dubbelt så mycket som Z1 med pålagd kabel. Ja, så går mitt resonemang i alla fall.

Be Logga in eller Skapa ett konto ansluta till konversationen.

28 mar 2015 19:54 #32 av Stefan Ericson
Svar från Stefan Ericson i ämnet Ik3 max?
Hej på er!
När jag gick i skolan, så räknade vi på oändlig effekt på transformatorn. Vår lärare sa att i framtiden så kommer kortslutnings strömmar bli vicktiga.
Ik3 borde ge den högsta efeckten. Dom andra mindre. Rätta mig om jag har fel.

Be Logga in eller Skapa ett konto ansluta till konversationen.

28 mar 2015 21:17 #33 av Mikael Malmgren
Svar från Mikael Malmgren i ämnet Ik3 max?
Kan finns lägen då Ik1 till och med är högre än Ik3. :silly:

Elkraftingenjör och konsult med specialitet inom Reläskydd, Selektivplaner och Elkraftberäkningar. Även stort intresse för föreskrifter & standarder samt projektledning och entreprenadjuridik.


Mikael Malmgren Installatörsbehörighet: A

www.elektroinvent.se

Den här e-postadressen skyddas mot spambots. Du måste tillåta JavaScript för att se den.
Följande användare sa tack: Michell Martic

Be Logga in eller Skapa ett konto ansluta till konversationen.

28 mar 2015 22:44 #34 av Michell Martic
Svar från Michell Martic i ämnet Ik3 max?
Där håller jag med Mikael. Klart är att Ik1 kan vara större än Ik3 om man är nära transformatorn.

Be Logga in eller Skapa ett konto ansluta till konversationen.

31 mar 2015 12:18 #35 av Oskar Ståhl
Svar från Oskar Ståhl i ämnet Ik3 max?
Ursäkta sent svar. Vi gled lite ifrån det som jag undrade över så försöker förklara lite mer vad jag menade.

När vi mäter upp felkretsimpedansen för exempelvis enfasigjordslutning Ijf så behöver vi ta hänsyn till att ledningarna kanske håller rumstempratur och till resistansökningen. Detta är jag med på och det stämmer överens med det kursmaterial som jag fått på diverse utbildningar.

Men det framgår inte om man behöver ha någon faktor på "andra hållet" dvs när man mäter upp ik3. Ledningarna kanske är belastade vid provningstillfället och håller drifttempraturen på 55C. Behöver man ta hänsyn till detta?

Vad anser ni, behövs någon säkerhetsfaktor när du mäter Ik3?

Be Logga in eller Skapa ett konto ansluta till konversationen.

31 mar 2015 15:51 #36 av Bo Siltberg
Svar från Bo Siltberg i ämnet Ik3 max?
Har inte hört talas om det.
Dels kan du nog kallt räkna med att ledningarna är någorlunda svala vid mättillfället.
Dels ligger skillnaden mellan 30 och 55 grader på runt 10%. Skulle det vara så tajt kanske man bör fundera på att "dimensionera upp" ett snäpp om det inte finns stora ekonomiska skäl att dimensionera precis på gränsen.
Följande användare sa tack: Marcus

Be Logga in eller Skapa ett konto ansluta till konversationen.

01 apr 2015 17:02 - 01 apr 2015 17:06 #37 av Michell Martic
Svar från Michell Martic i ämnet Ik3 max?
Min egen uppfattning är att du ska bestämma den förväntade kortslutningsströmmen för vad den faktiskt kan vara. Kan kablarna vara spänningssatta och en kortslutning ske vid en ledartemperatur på 20°C så är det detta du ska utgå ifrån i min mening.

SS 424 14 05
7 Kortslutningsströmmar

Formlerna i detta avsnitt avser kortslutning respektive jordslutning längst bort i "Ledningen", vilket ger det lägsta värdet på strömmen. Resistansen räknas härvid vid en förhöjd temperatur, orsakad av kortslutningsströmmen.

Största strömmen genom kortslutningsskyddet erhålls vid kortslutning omedelbart efter skyddet varför impedansen i "Ledningen" då inte skall ingå i formlerna. Resistanserna räknas härvid vid 20°C.

Jag uppfattar texten ovan som att största kortslutningsströmmen ska beräknas vid 20°C, vilket det kanske inte va under mätning. Vidare så ska kortslutningsströmmarna bestämmas i varje punkt av anläggningen där så fordras. Det tolkar jag som att man ska dimensionera för det värde man faktiskt förväntar sig kan vara vid kortslutning. Och ovanpå allt detta så ska strömmen bestämmas precis efter skyddet eftersom det är här strömmen är som störst. Och även de tre första metrarna av kabeln ska klara en kortslutning utan att ta övrig skada även om felet sker på den tredje metern. Detta innebär i praktiken att vid mätning så måste man alltså göra två mätningar minst. En i kabelns bortre ände för att bestämma minsta strömmen samt kontrollera att skydden löser för denna minsta ström. Den andra mätningen får göras direkt på den punkt där kabeln börjar.
Dock så tror jag att det är vanligast att man mäter allting i slutet på kabeln, vilket alltså inte tjänar något till vid bestämmandet av största strömmen.

Be Logga in eller Skapa ett konto ansluta till konversationen.

01 apr 2015 23:12 #38 av Bo Siltberg
Svar från Bo Siltberg i ämnet Ik3 max?
Jag tolkar Oskar som att han vill mäta upp Ik3 för kontroll av efterföljande skydd och kabel.

Be Logga in eller Skapa ett konto ansluta till konversationen.

02 apr 2015 06:41 #39 av Oskar Ståhl
Svar från Oskar Ståhl i ämnet Ik3 max?
Helt rätt, och om man behöver någon säkerhetsfaktor på uppmätt värde för ik3.

Be Logga in eller Skapa ett konto ansluta till konversationen.

02 apr 2015 09:43 - 02 apr 2015 09:48 #40 av Michell Martic
Svar från Michell Martic i ämnet Ik3 max?
När du mäter så mäter du med belastning i ledningarna. Inte bara i den egna anläggningen utan även med belastning ute i lokalnätet. Vid värden levererade från nätägaren på Ik3 så får du ett värde baserat på beräkningarna i SS 424 14 05. Med andra ord så är rimligen ditt uppmätta värde lägre än det för den högsta kortslutningsströmmen i anläggningen. Belastningen kan ju rimligen alltid vara lägre än då du mätte. Bara det faktum att värdet skiljer sig i en specifik punkt beroende på om du får ett värde från nätägaren gentemot om du själv mäter upp värdet i exakt samma punkt borde ju säga en del.

Dock så är det ju så att Ik3 enbart är relevant för att du ska kunna beräkna två saker. Mekanisk hållfasthet vid kortslutning samt att kabelns korttidsströmtålighet, k2S2-värde, inte överstigs. Gällande den mekaniska kraftpåkänningen så är det sällan denna är ett problem om inte strömmarna är väldigt höga. Däremot så är det högsta I2t-värdet relevant. Och det får du ju fram genom att kontrollera kortslutningsströmmen mot valda skyddet. Det lustiga är dock att vid beräkning av vilket I2t-värde som kabeln tål så beräknas kabeln redan ha sin maximala drifttemperatur. Och vid bestämmandet av högsta kortslutningsströmmen så ska du utgå från en ledartemperatur på 20°C. Det är alltså två scenarion som aldrig kan inträffa samtidigt. Det kanske gör att den faktor som vi hade velat använda i praktiken inte behövs.

Vill man så lägger man på en faktor med 1,1 om det är ett uppmätt värde. I praktiken så är det en ökande spänningsfaktor. Den finns inte beskriven i SS 424 14 05, men det kan ju också bero på att mätning inte är ett alternativ i SS 424 14 05 för bestämmande av Ik3 om du inte kan räkna om värdet till ett som är representativt för en ledartemperatur på 20°C. Sen ska man inte låta orimliga värden kasta om hela ekonomin i ditt arbete, men då får man väl göra en bedömning i det enskilda fallet. Dock så är det svårt att göra en bedömning för något man inte känner till, t ex vilken ledartemperaturen är i nätet när du mätte.

...eller så går mitt resonemang i alla fall.

Be Logga in eller Skapa ett konto ansluta till konversationen.

Sidan laddades på: 0.121 sekunder

Senaste foruminlägg