Inkoppling hållkrets & nödstopp för kontaktor och motorskydd.

21 okt 2012 17:35 - 21 okt 2012 21:00 #1 av Simon Slotte
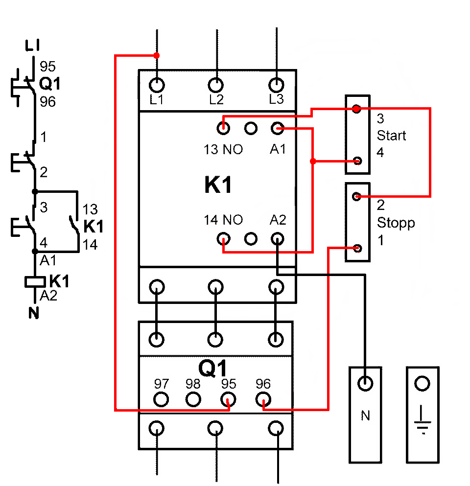
Har en kotaktorlåda med kontaktor och motorskydd med start och stopp knapp utanpå kapslingen.
Det är en färdigkopplad hållkrets för startknappen.

Mellan 95 NC på motorskyddet och Noll-plint läggs ett nödstopp in.
Vad gör jag med den långa kabeln som går från ovansidan L3 på kontaktorn?
Känns som att den är överflödig?





Elingenjör, Drift & underhåll på kommunalt fastighetsbolag.
Allmän behörighet lågspänning
Service-Elektriker 6 år.
Civilplikt, Ställverksreparatör, Svenska Kraftnät.
Bilagor:

Be Logga in eller Skapa ett konto ansluta till konversationen.

21 okt 2012 18:21 #2 av Rikard Ågren
Låter lite som en skoluppgift?

Projektledare el, styr och automation

Be Logga in eller Skapa ett konto ansluta till konversationen.

21 okt 2012 19:24 #3 av Niklas
Du har inte en 400V-spole på kontaktorn så att du ska koppla L3 istället för nollan?

Be Logga in eller Skapa ett konto ansluta till konversationen.

21 okt 2012 19:26 #4 av Peder Myrne
Kan vara istället för anslutningen till N.
Om spolspänning 400V och 230/400V nät.

Be Logga in eller Skapa ett konto ansluta till konversationen.

22 okt 2012 18:45 #5 av Michael M
Det jag har fått lära mig är att kontaktorn bör vara sista komponent i styrkretsen och helst över en fas. Detta i och med att spolen ej ska få spänning över sig vid ett jordfel i styrkretsen.

Be Logga in eller Skapa ett konto ansluta till konversationen.

22 okt 2012 21:41 #6 av Friedrich Lossien
Om du har en 400V-spole så låter du L3 gå till nödstoppen och återvända till anslutning 95 på motorskyddet. Men tänkte du stanna motorn på nödstoppen istället för en stoppknapp?
Är det en 230V-spole så kan du koppla såhär:



Lägg in nödstoppen före motorskyddet i så fall.
Bilagor:

Be Logga in eller Skapa ett konto ansluta till konversationen.

Sidan laddades på: 0.203 sekunder

Senaste foruminlägg