Jordfelsbrytare till 3-fas motor

31 jan 2014 08:44 - 31 jan 2014 08:52 #1 av Myllys
Hej
Jag behöver installera en jordfelsbrytare till en 3-fas motor. 3-fas motorn saknar som bekant nolla.

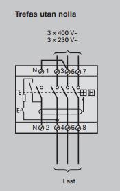
Jag hittade på Hagers hemsida att man bara byglar N till 5:an på övre sidan (se bild). Kommer detta fungera? (Se bild).
Bilagor:

Be Logga in eller Skapa ett konto ansluta till konversationen.

31 jan 2014 09:48 #2 av Magnus Runeson
Funkar utmärkt.. Byglingen till nollan är till för att du ska få testknappen att fungera.. Då den ligger kopplad mellan N terminalen och en av faserna.

Hälsningar
Magnus Runeson
Eldon AB (för jäkligt att man ska behöva svara på ett inlägg om Hager.. ha ha.. )
Följande användare sa tack: Tobias Karlsson, Michell Martic

Be Logga in eller Skapa ett konto ansluta till konversationen.

31 jan 2014 10:05 #3 av Michell Martic
Alternativt så kan man flytta alla faserna ett steg till vänster på anslutningarna på JFBn.
Dock så har du då en fas genom där JFBn är märkt med "N", men märkningen på JFBn stämmer ju inte med alternativet med byglingen heller.

Om du dock går fram med 5-ledare ändå så kan du ju faktiskt använda nollan fram till JFBn just för testknappens funktion, även om du inte går vidare till motorn.

Nä, kanske skulle lagt testknappen mellan två faser i konstruktionen istället. Mellan L1 och L2 t ex. Sällan man kör 4-polig JFB när det bara är enfasigt. I alla fall mer sällan än man kör 3-fasigt utan nolla.

Be Logga in eller Skapa ett konto ansluta till konversationen.

31 jan 2014 11:14 #4 av Ingemar Fransson
Eftersom Hager har redovisat sätt hur man ska göra så skulle jag gå efter det. Köper jag dessutom en Hagerbrytare så skickar jag bara med de anvisningar som kommer med produkten och då är ju denna beskrivning en av dem.

Be Logga in eller Skapa ett konto ansluta till konversationen.

31 jan 2014 14:58 #5 av Michell Martic

Ingemar Fransson skrev: Eftersom Hager har redovisat sätt hur man ska göra så skulle jag gå efter det. Köper jag dessutom en Hagerbrytare så skickar jag bara med de anvisningar som kommer med produkten och då är ju denna beskrivning en av dem.

Så du brukar få digitala dokument bifogade (på en USB-sticka?) där du köper JFB?
Imponerande.

Det kan ju vara så också att "Myllys" hittat dokumentet på nätet och sedan utgått från det helt enkelt.
Det står nämligen ingenstans att det är just en Hager-JFB det handlar om...Det kan ju ha varit en ELDON-JFB t ex.

Be Logga in eller Skapa ett konto ansluta till konversationen.

31 jan 2014 23:35 #6 av Lars Blomkvist

Michell Andersson skrev:

Ingemar Fransson skrev: Eftersom Hager har redovisat sätt hur man ska göra så skulle jag gå efter det. Köper jag dessutom en Hagerbrytare så skickar jag bara med de anvisningar som kommer med produkten och då är ju denna beskrivning en av dem.

Så du brukar få digitala dokument bifogade (på en USB-sticka?) där du köper JFB?
Imponerande.

Det kan ju vara så också att "Myllys" hittat dokumentet på nätet och sedan utgått från det helt enkelt.
Det står nämligen ingenstans att det är just en Hager-JFB det handlar om...Det kan ju ha varit en ELDON-JFB t ex.


Jag hittade på Hagers hemsida att man bara byglar N till 5:an på övre sidan (se bild). Kommer detta fungera? (Se bild).

Den som inte söker finner inga svar :) ibland

Be Logga in eller Skapa ett konto ansluta till konversationen.

01 feb 2014 19:43 #7 av Torbjörn Forsman
Ja, ser man på schemat är det mycket enkelt. När man trycker på testknappen så ska det läggas spänning över testmotståndet, om det inte finns någon nolla i anläggningen så får man koppla ihop JFB:s nollskruv (på rätt sida givetvis) med godtycklig fas, dock inte samma fas som motståndet är anslutet till internt i JFB.
I just bildens exempel så kommer det att fungera om man byglar den övre N till 5 eller 7, dock inte om man byglar den till 3.

Was man sich nicht erklären kann, sieht man als Überspannung an.

Be Logga in eller Skapa ett konto ansluta till konversationen.

01 feb 2014 22:58 #8 av Myllys
Först och främst tack för svaren allihop.

Det är inte nödvändigtvis en Hager jordfelsbrytare som jag ska använda mig av utan det är bara ett exempel jag hittade på nätet. Jag tar vad jag hittar på lager, principen borde vara samma på alla.

Vad jag däremot inte förstår är hur jordfelsbrytaren fungerar utan nolla. En jordfelsbrytare fungerar så att den genom en summaströmstransformator jämför strömmen i fasen och nollan. Men hur vet då jordfelsbrytaren om att det inte är någon läckström när vi inte har någon nolla? Jämför den så att att det är samma ström som går igenom alla tre faser?

Be Logga in eller Skapa ett konto ansluta till konversationen.

02 feb 2014 06:08 - 02 feb 2014 06:38 #9 av Jan Wahlberg
Kopplar man som Hager / Eldon rekommenderar så har man väl satt JFB som personskydd ur spel.
Eller i alla fall testet av den, och då borde ju testet som prov falla föreskriftsmässigt.
Det man testar med är ju en utlösningsström på 52mA, inkopplad på 400V istället för 230V.
Det man testar är ju att mekaniken fungerar och att den säkert löser, men vid 52mA istället för 30mA!

Allt förutsatt en ideal anläggning, utan andra jordfel mm

Vad förutsätter egentligen "Prov i betryggande omfattning", "enl. tillverkarens anvisningar"?
Ska man prova genom att trycka på testknappen, utan aning om grundjordfelet, kan ju i teorin redan ligga 29.99mA över JFB, vad är testet värt då?
Ska man prova genom att koppla bort all last, och vara säker på att testmotståndet ger 30mA?

Koppla bort lasten och köra med installationstester eller liknande är ju bäst , men hur ofta går det att göra....

Be Logga in eller Skapa ett konto ansluta till konversationen.

02 feb 2014 08:21 #10 av Torbjörn Forsman
Testknappen och testmotståndet är inte avsedda för att ge bevis för att jordfelsbrytaren löser ut för rätt felström utan den är bara till för att visa att JFB överhuvudtaget fungerar.
Jag mätte just på en JFB som råkade ligga framme, en Garo 30 mA personskyddsautomat. Där är testmotståndet på 5,6 kohm, vilket ger 41 mA vid 230 V.

Vill man vara säker på att fortfarande få rätt testström när man gör byglingen så är det ju lätt gjort att bygla med ett motstånd.

Skulle en jordfelsbrytartillverkare verkligen vilja kosta på testfunktionen skulle det ju gå att ersätta det inbyggda testmotståndet med en konstantströmregulator - men det lär nog synas på priset också.

När det gäller principen för jordfelsbrytarens funktion så mäter den ju summaströmmen på alla ledare som passerar genom den. Den bryr sig inte om vad ledarna har för potential relativt jord eller om man har döpt dem till N, 0, L1, Nisse eller någonting helt annat. JFB används ju även i nät där nolla inte finns framdragen genom den, t ex i Norges 3 x 230 V -nät.

Was man sich nicht erklären kann, sieht man als Überspannung an.
Följande användare sa tack: Bo Siltberg

Be Logga in eller Skapa ett konto ansluta till konversationen.

02 feb 2014 18:22 #11 av Jan Wahlberg
ok, då trodde jag fel, jag var i den förvillningen att det var ett motstånd på 7,7kohm som satt där, vid 230V.
Men jag har hört från en föreläsare och en fabrikant(säljare..) att det ska va så.
Är det inte så så är det dock inte så, då kanske man får ta ett extra varv med hur man testar dom.

Om kan inte vara säker på att den löser förrän vid 41mA, är det verkligen Funktion på den då?

Be Logga in eller Skapa ett konto ansluta till konversationen.

02 feb 2014 20:04 #12 av Torbjörn Forsman
Testströmmen varierar ju proportionellt med nätspänningen, och det är väl rimligt att testknappen är dimensionerad så att en frisk jordfelsbrytare säkert ska lösa ut även i värsta fall av underspänning på elnätet.
Med 5,6 kohm får vi 30 mA vid 187 V nätspänning, det motsvarar ungefär 20 % underspänning på ett 230 V nät. Och sådan underspänning lär inte vara så sällsynt i glesbygdsnät här och var i södra och östra Europa.

Utrustning som är märkt 230 V används säkert också i länder där den nominella spänningen är t ex 220, 208 eller 200 V , och även då kanske 187 V är en ganska lagom vald gräns.

Was man sich nicht erklären kann, sieht man als Überspannung an.

Be Logga in eller Skapa ett konto ansluta till konversationen.

02 feb 2014 20:41 #13 av Torbjörn Forsman
Jag har mätt upp testmotståndet i några fler personskyddsautomater och en JFB. Samtliga 30 mA.

Först personskyddsautomater:
En Garo av lite annan modell än den förra och en Siemens, båda uppskattningsvis från sent 90-tal, har 5,6 kohm.
En äldre Siemens har 1,0 kohm, den är lite udda genom att märkspänningen är angiven till 125-220 V. Testströmmen blir alltså 125-220 mA där.

Och JFB:
En Hager, troligen från tidigt 90-tal, har 3,3 kohm. Vid 230 V nätspänning blir testströmmen 70 mA.

Was man sich nicht erklären kann, sieht man als Überspannung an.
Följande användare sa tack: Michell Martic

Be Logga in eller Skapa ett konto ansluta till konversationen.

03 feb 2014 11:48 #14 av Torbjörn Forsman
Ännu en JFB. AEG (fast det står "Made by GE in Spain" finstilt på den), trefas, 30 mA, från 2007.
Testmotståndet är inte anslutet mellan fas och nolla utan mellan L2 och L3 på denna. Vi får alltså normalt 400 V över testmotståndet, som är på 6,8 kohm, alltså 59 mA testström.

Was man sich nicht erklären kann, sieht man als Überspannung an.
Följande användare sa tack: Michell Martic

Be Logga in eller Skapa ett konto ansluta till konversationen.

03 feb 2014 14:24 #15 av Stefan Ericson
Hej på er!
Jag brukar testa jordfelsbrytare med en 7W lågenergilampa.
Den brukar blinka till innan brytaren löser. Då går det att testa mot jord.
I=7W/230Vac=0.0304A

Be Logga in eller Skapa ett konto ansluta till konversationen.

03 feb 2014 14:48 #16 av Christer Djerf
...jag brukar testa jordfelsbrytaren med en eurotester, då får man utlösningstider mm dokumenterat vid olika utlösningsströmmar vid både positiv och negativ period.....
Följande användare sa tack: Ronnie Lidström, Michell Martic

Be Logga in eller Skapa ett konto ansluta till konversationen.

03 feb 2014 22:35 #17 av Torbjörn Forsman
Jag skulle inte rekommendera att använda en lågenergilampa för att prova en jordfelsbrytare. I den finns ju först en likriktarbrygga och därefter en relativt stor elektrolytkondensator för att glätta likspänningen, i tillslagsögonblicket drar den en kraftig stötström medan kondensatorn laddas upp. Och den stötströmmen kan nog räcka för att få även en mycket trög och tvivelaktig JFB att lösa ut.
Den där kondensatorn kan ha mycket olika värde i olika modeller av lågenergilampor med samma effekt. I vanliga 11 W-lampor kan man se allt från 2,2 till 10 uF , 7 W-lampor har förmodligen lite lägre kapacitanser.

Tänk också på att en lågenergilampa inte börjar dra nominell effekt från elnätet förrän den har stått på flera minuter och lyser med full styrka. Troligen är effektförbrukningen lite högre än nominellt (kanske dubbla effekten) under den första sekunden medan glödtrådarna förvärms, sedan sjunker den när lampan har tänt och ökar sakta allteftersom lampan blir varm och kvicksilvrets ångtryck ökar.

Was man sich nicht erklären kann, sieht man als Überspannung an.

Be Logga in eller Skapa ett konto ansluta till konversationen.

05 feb 2014 10:53 #18 av Stefan Ericson
Hej Torbjörn!
Den lampan jag använder är en billig kines. Classe tror jag. Jfb löser inte för än lampan lyser. Det tar någon sekund. Har inte mätt.
Jag misstänker att den har primärswitchning och konstant ströms regulator. Jag påstår inte att det är en ultimat lösning, bara billig. Jag vet inte vad en eurotester kostar, men betydligt dyrare än Classes lågenergi.
Jag har en frekvendrivning till vatten pumpen. Den har storkondensator och löser alltid jfb. Pratar man med dom som säljer drivninge, så säger dom klippbort kondensatorn. Alternativa lösningen, en jfb som inte löser för ström vid start. Så har det blivit vid industri lösningar.
Jag körde en gång till Sundsvall på en dag. 120 mil blev det. Felet, dom hade anslutit fräsen till en jfb.

Be Logga in eller Skapa ett konto ansluta till konversationen.

05 feb 2014 16:22 - 05 feb 2014 16:24 #19 av Peder Myrne

Stefan Ericson skrev: Hej på er!
Jag brukar testa jordfelsbrytare med en 7W lågenergilampa.
Den brukar blinka till innan brytaren löser. Då går det att testa mot jord.
I=7W/230Vac=0.0304A


Nu vet jag inte hur du räknar, men en LE-lampa är knappast en resistiv last och definitivt inget man testar en JFB med.
Typiskt cosfi är 0.5-0.6, vilket blir ca 50-60mA för en 7Wattare vid normal drift.
Och startströmmen är betydligt större än så vilket har nämnts tidigare.

Be Logga in eller Skapa ett konto ansluta till konversationen.

05 feb 2014 16:57 #20 av Torbjörn Forsman
Det är väl betydligt enklare att använda ett motstånd att prova med då? Ett motstånd t ex 5,6 kohm 10 W kostar inte många kronor hos Elfa eller Farnell. Eller, för den delen, bygg in ett antal olika motstånd i en låda med en omkopplare så är det lätt gjort att ta reda på utlösningsströmmen för en viss JFB.

Was man sich nicht erklären kann, sieht man als Überspannung an.

Be Logga in eller Skapa ett konto ansluta till konversationen.

Sidan laddades på: 0.071 sekunder

Senaste foruminlägg