Dimring av 1-10V armaturer från flera håll?

12 nov 2011 17:54 #1 av Svenne Eriksson
En kund till oss har ett konferensrum med 10st lysrörsarmaturer som styrs med gammalt hederligt 1-10V.

Nu vill de gärna kunna dimmra detta även från framme vid tavlan.

Finns det något sätt att fixa detta förutom dyra KNX-system?

Be Logga in eller Skapa ett konto ansluta till konversationen.

12 nov 2011 18:32 - 12 nov 2011 18:33 #2 av Patrik Hedlund
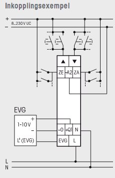
Efter lite googling så hittade jag en 1-10V tryckknappsdimmer från Eltako. Den borde funka för att dimra från flera håll. Men jag har inte testat denna, kan ha fel.

www.eltako.com/fileadmin/downloads/sv/_flyer/Dimrar.pdf

E 13 770 7

Mvh
Patrik Hedlund
Bravida Hudiksvall

Be Logga in eller Skapa ett konto ansluta till konversationen.

12 nov 2011 18:49 #3 av Ronnie Lidström
Eltako har en dimmer som löser detta!

SDS61/1-10V (för apparatdosa) E:13 770 73




SDS12/1-10V (för DIN-skena) E: 13 770 71


Fil bilaga:
Företagare, Elinstallatör Björks EL i Skellefteå AB

Be Logga in eller Skapa ett konto ansluta till konversationen.

17 nov 2011 21:38 #4 av Svenne Eriksson
Perfekt! Tackar!

Be Logga in eller Skapa ett konto ansluta till konversationen.

Sidan laddades på: 0.260 sekunder

Senaste foruminlägg