kontaktor

14 mar 2014 16:56 #1 av Johan Larsson
kontaktor skapades av Johan Larsson
Hej

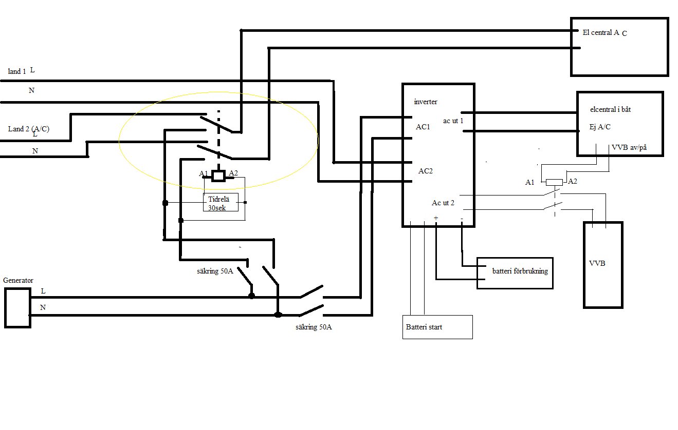
nån som vet vart man kan få tag i en kontaktor..... 2pol med växlande kontakter ska klara ca 50A

den inringade med gult.......




/Johan

ABL behörig.. bygger värmepumpsanlägggningar. styr regler m.m

VD
ETK-service AB
Bilagor:

Be Logga in eller Skapa ett konto ansluta till konversationen.

14 mar 2014 17:42 #2 av Johan Larsson
Svar från Johan Larsson i ämnet kontaktor
har nog lyckats hitta nu benedict och jäger värkar ha
på 40A och 63A

mejlar gross......

ABL behörig.. bygger värmepumpsanlägggningar. styr regler m.m

VD
ETK-service AB

Be Logga in eller Skapa ett konto ansluta till konversationen.

14 mar 2014 22:44 #3 av Torbjörn Forsman
Svar från Torbjörn Forsman i ämnet kontaktor
Jag brukar vara skeptisk till att använda brytande kontakter i reläer och kontaktorer för höga strömmar. Oftast har de lägre kontakttryck än de slutande kontakterna i samma apparat, och därmed större risk för varmgång.

Det känns pålitligare att sätta dit två kontaktorer med enbart slutande kontakter och ett växlande relä för att ge manöverström till den ena eller den andra spolen. Eventuellt förregla vardera kontaktorspolen med en brytande hjälpkontakt i den andra kontaktorn.

Was man sich nicht erklären kann, sieht man als Überspannung an.
Följande användare sa tack: Michell Martic

Be Logga in eller Skapa ett konto ansluta till konversationen.

15 mar 2014 09:01 #4 av Odd Hedberg
Svar från Odd Hedberg i ämnet kontaktor

Torbjörn Forsman skrev: Det känns pålitligare att sätta dit två kontaktorer med enbart slutande kontakter och ett växlande relä för att ge manöverström till den ena eller den andra spolen. Eventuellt förregla vardera kontaktorspolen med en brytande hjälpkontakt i den andra kontaktorn.


Så skulle vi gjort.
/Odd

Be Logga in eller Skapa ett konto ansluta till konversationen.

17 mar 2014 16:50 #5 av Magnus Runeson
Svar från Magnus Runeson i ämnet kontaktor
Nja.. om det är växlande normkontaktorer som man är ute efter så får det nog tänkas om..
Inget som skulle rekomenderas när det gäller växlande modeller.. om någon tillverkarenu ens har det.??
Brukar bara finnas 24A i norm med växlande kontakter
Det som skulle fungera är i så fall en hederlig "industrikontaktor" om tex. 60A med 2sl och 2 br kontakter.

Annars är jag också inne på en föreglingslösning som bästa lösningen.

Magnus

Be Logga in eller Skapa ett konto ansluta till konversationen.

17 mar 2014 18:40 #6 av Johan Larsson
Svar från Johan Larsson i ämnet kontaktor
hej tack för era tips

denna har jag tittat på

www.benedict.at/upload/4525304-Modular-C...d-Switches-D681E.pdf

sidan 4 R63-22 230

lasten blir inte mer en ca 20A sen och är det lite större start strömmar

lasten kommer inte att ligga på vid inkoppling heller.... finns en fördjörning

visst vore det en ide att bygga med riktiga kontaktorer får kanske bli så och det är trångt som vanligt

allt ska in i en båt.......

//Johan

ABL behörig.. bygger värmepumpsanlägggningar. styr regler m.m

VD
ETK-service AB

Be Logga in eller Skapa ett konto ansluta till konversationen.

18 mar 2014 07:32 #7 av Magnus Runeson
Svar från Magnus Runeson i ämnet kontaktor
Benedicts kontaktorer är av riktigt bra kvailte och en av de få "grundtillverkarna" av just normkontaktorer.
Kör du på denna.. Du bör inte få några problem .

Hälsn.
Magnus

Be Logga in eller Skapa ett konto ansluta till konversationen.

18 mar 2014 13:45 #8 av Stefan Ericson
Svar från Stefan Ericson i ämnet kontaktor
Hej på er!
Om dom alltid rycker ur landströmmen först och sedan startar generatorn, så tror jag inte det är något problem. Annars 2 st föreglade konataktorer.
Är det sjöräddningsbåtar. Effekten är inte så mycket för en båt.
Torpedbåten hadde ca 350 KW och isbrytaren 0,5 MW.

Be Logga in eller Skapa ett konto ansluta till konversationen.

18 mar 2014 16:16 #9 av Johan Larsson
Svar från Johan Larsson i ämnet kontaktor
Hej Stefan

inte säkert att dom altid drar ut lanströmen.......

är en fritidsbåt modell större 59fot

effekten är ganska stor i båten allt är 1-fas när jag var ute och mätte i höstas så drog den ca 25A på bara förbruknings centralen
och då var inte ens allt i gång var bara typ laddare ,diskmaskin endel belysning kyl samt frysar, 1platta på spisen. air cond matningen mätte jag aldrig men är totalt 5 värmepumpar i båten

i gästhamnar så brukar man max kunna ta ut 4-10A så kunden är trött på att säkringarna går hela tiden och det är inte så poppulärt att köra elverk då heller så inverten tar toppförbrukningen och använder batterikraft och landtröm samtidigt.... den är på 5KvA....

för att köra värmepumparna så krävs det minst 16A i land... en 10A går direkt...... men dom går ej över inverter så då får man köra elverk eller åka till gästhamn som har mer kräm:)

ABL behörig.. bygger värmepumpsanlägggningar. styr regler m.m

VD
ETK-service AB

Be Logga in eller Skapa ett konto ansluta till konversationen.

18 mar 2014 19:44 #10 av Stefan Ericson
Svar från Stefan Ericson i ämnet kontaktor
Hej Johan!
Ok. Gästhamnar brukar sällan ha mer än 10A. Borgholm 6A. När dom stora båtarna stoppar i sladden, så ryker säkringen direkt, och elverken får gå.
På fartygen var det alltid 2 kontaktorer.
En säljare från Karlskrona varvet, skulle visa att det var bara att slå om brytaren från land till egen kraft. Något var felkopplat. Tillochmed plåt luckan framför kontaktorerna flög bort.
En rekommendation, säg åt kunden att ta ur landströmmen först och starta elverket sedan.
Att dom kör enfas, är säkert för att undvika spänningsstegring pga snedbelastning.

Be Logga in eller Skapa ett konto ansluta till konversationen.

Sidan laddades på: 0.104 sekunder

Senaste foruminlägg