Dosdimmer med mjukavstäng och centralavstängning?

24 jan 2012 07:47 - 24 jan 2012 15:14 #1 av Patrik Christersson
Hej, jag vet inte ens om produkten jag letar efter finns, hoppas ni förstår mitt exempel och kan hjälpa till.

Min ide är att ha en gå hemifrån/hejdå brytare i hallen, som simpelt "dödar" utvalda grupper genom att dra dem över några kontaktorer, spis, utvalda vägguttag, och belysning.

Ännsålänge inga problem..

Dock skulle jag vilja att belysningen även skall dö, men det känns så mycket bättre om belysningen hade haft softstart/softclose funktion, jag använder mig uteslutande av dosdimmrar jämnfört med vanlig vriddimmer, och nu undrar jag nu om det existerar en dosdimmer med centralstyrning, alltså från knappen i hallen kan jag släcka allt med mjukavstäng/softclose.

Tips och ideér?

Be Logga in eller Skapa ett konto ansluta till konversationen.

24 jan 2012 09:10 #2 av Magnus Runeson
Patrik,
Jag har igentligen ingen lösning på ditt problem med dosdimmrar, men kunde ändå inte låta bli att lägga in ett tips som då kanske mer gäller din första formulering om en central "hemifrån" brytare.
Vi har en produkt som heter Hemvakten, som kan styras precis så som du säger.
Förutom just denna funktion så är den också styrd av brandvarnare,mm.
Hemvakten har en hel del fler intressanta funktioner för att få ihop en övervakning och styrning för ett säkrare hem.

Som sagt bara ett tips..
Se länk. för PDF.
www.eldon.se/upload/Sweden/Eldon_Brandskydd.pdf

Hälsningar
Magnus Runeson
ELDON AB

Be Logga in eller Skapa ett konto ansluta till konversationen.

24 jan 2012 09:30 #3 av Ronnie Lidström
Eltako har dimmrar för DIN-skena med central styrning:

Tex Eltako EUD12Z E:13 770 60



Finns fler Eltako-modeller också med central styrning. Läs hela katalogen här (.pdf)

Ska man ha någon mer avancerad styrning så krävs nog någon form av KNX-lösning eller PLC

Fil bilaga:
Företagare, Elinstallatör Björks EL i Skellefteå AB
Bilagor:

Be Logga in eller Skapa ett konto ansluta till konversationen.

24 jan 2012 12:36 #4 av Patrik Christersson
Nu har jag inte hunnit läsa på om tipsen, skall göra det ikväll!

Vill bara förtydliga att det är mjukavstängnings funktionen jag är intresserad av, annars löses det simpelt med en kontaktor som dödar belysningsgrupperna. Men nu i planeringsstadiet känns mjukavstängnings mysigare och proffsigare.

Återkommer ikväll när jag läst på!

Fyll på!
/Patrik

Be Logga in eller Skapa ett konto ansluta till konversationen.

24 jan 2012 13:18 #5 av Ronnie Lidström
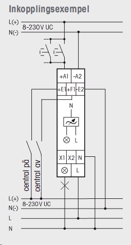
Eltako-dimmrarna har ju så att ljuset "fadear" upp vid start och ner då man stänger av. Om det är samma mjukstart/stängning vid centralstyrning törs jag inte säga. Har aldrig provat den funktionen men ring din närmsta Eltako-support och fråga!

Fil bilaga:
Företagare, Elinstallatör Björks EL i Skellefteå AB

Be Logga in eller Skapa ett konto ansluta till konversationen.

25 jan 2012 16:25 - 25 jan 2012 16:29 #6 av Patrik Christersson
Hemvaken låter intressant, känns absolut som en smart lösning, detta ska kikas på mer!

Nu har jag kollat runt, ringt till vadsbo, dimmax, eltako utan lycka.

För att beskriva lite mer vad jag är ute efter så kommer där en punktlista.

  • Skall HELST få plats i en kopplingsdosa.
  • Skall kunna dimmra upp till minst 315W (9st 35W halogen).
  • Skall dimmras/styras med återfjädrande tryckknapp.
  • Skall ha centralavstängning via återfjädrande tryckknapp i entre med mjukavstängning, (fade out)
  • Man skall kunna tända i respektive rum utan att behöva återställa entreknappen, (därav skall entreknappen vara återfjädrande).
  • Det behöver inte finnas centralpåslagning.
  • Andra funktioner som insommningsfunktion och liknande är inte nödvändigt, bara plus i kanten.

Entreknappen kommer bestå av en kronbrytare varav den ena vippande går till detta ovan, och den andra vippan kommer styra en kontaktor eller hemvakt ;) som dödar, spis, spisfläkt, ugn, centraldammsugare, utvalda vägguttag och belysning som inte går över ovan nämnda dosdimmer m.m. Samt starta utvalda grupper så som, rörelsedeckararmatur, fasad/stolpbelysning etc.

Nu hoppas jag någon kan ha erfarenheter eller tips på hur jag ska lösa detta. Jag har sökt med ljus och lykta, men hittar inget vettigt som känns som en bra helhetslösning, att dra i tråd är inget problem, skall endå göra det arbetet då det fattas jord.

Knx och andra lite större system känns givetvis lockande, men det kostar rent utsagt så djävla mycket kulor.

Tack på för hand!

Be Logga in eller Skapa ett konto ansluta till konversationen.

25 jan 2012 18:29 #7 av Ronnie Lidström
Vad sa Eltako då? Fadear den ut vid central-av?

Varför är detta med mjukavstängningen så viktig? Är det för att få en häftig effekt eller ska den fadea så långsamt att alla hinner gå ut osv?

Känns som att allt annat går fixa med dimrar från eltako och typ en Logo. Då borde det räcka med en återfjädrande vid dörren sen styr du kontaktorer, central-av osv från Logon..

Fil bilaga:
Företagare, Elinstallatör Björks EL i Skellefteå AB

Be Logga in eller Skapa ett konto ansluta till konversationen.

25 jan 2012 21:01 #8 av Thomas Hausel
Frågan är kanske inte så knölig...
Börjar med att tipsa om en utmärkt dimmer, FINDER Enr: 1377082 (Max 400W)
Den har de funktioner du efterfrågar, även minne för senast inställda nivån!

Men eftersom din utgångspunkt är en kronbrytare där belysningen ska släckas via din nya "borta knapp"
Ska du ju inte döda fasen till respektive dimmerstyrd belysning, då behöver du ju bara en kontaktor för att släcka och får då funktionen dimmrar ner, får förvisso på köpet omvänd funktion när du kommer hem och trycker en gång till...

Lycka till!

Be Logga in eller Skapa ett konto ansluta till konversationen.

26 jan 2012 07:20 #9 av David Jonasson

Thomas Hausel skrev: Men eftersom din utgångspunkt är en kronbrytare där belysningen ska släckas via din nya "borta knapp"
Ska du ju inte döda fasen till respektive dimmerstyrd belysning, då behöver du ju bara en kontaktor för att släcka och får då funktionen dimmrar ner,


Tänker jag fel eller menar du att du skall skicka en puls via kontaktor till samtiga dimmrars styr ingång? i så fall måste ju allt vara tänt för att "borta knappen" ska släcka allt.

Som jag ser det så behöver du en dimmer med centralstyrning som på Eltakodimmern samt att den ryms i en apparat-dosa om det är flera tändningar / grupp (vilket de i stort sett alltid är)

Går det inte att gömma normkappslingar i köksskåp, garderober osv. såg även att det finns små normkapslingar för infällnad, det kanske går att fälla in några sådana. Schneider Mini Pragma e22 880 14

Be Logga in eller Skapa ett konto ansluta till konversationen.

26 jan 2012 18:47 #10 av Patrik Christersson
Tack för responsen!

Fördelarna med dosdimmer med funktionen centralstyrning jämnt emot kontaktor är som jag ser det:

Mjukavstängning, kul okulär effekt, samt man bevarar livslängd på ljuskällor.
Entré knappen är återfjädrande, vilket medför att den ej behöver återställas, vilket då ger fördelar så som att huset inte tänds om man nu behöver trycka på den igen, samt att om jag går in genom en annan ingång så kan jag tända utan att springa till hallen och "sätta igång belysningen". vilket också gör att jag kan ha en knapp även i sovrummet, som släcker hela huset vid sov tid.

Jag vill nog att denna produkt skall få plats i en kopplingsdosa, då normkapslingar på mer än ett ställe verkligen inte funkar.

Jag tycker det är konstigt att denna produkt inte finns.
En helt vanlig dosdimmer liknande finder, dimmax, vadsbo eller eltako.

Exempelvis; eltako Enr 1377052
www.elbutik.se/dokument/EUD61NPS-400W_internet.pdf

Fast med en extern pulsingång för centralavstängning, med fade out.

Be Logga in eller Skapa ett konto ansluta till konversationen.

14 jun 2012 09:25 #11 av Patrick Savinainen
Det finns en möjlighet att lösa problemet genom att använda en dimmeraktor och en trådlös (batterifri) tryckknapp från Eltakos trådlösa program. Aktorerna för dosmontage har även styringång för vanlig trådbunden tryckknapp också, det innebär att man kan tända/släcka/dimra med den vanliga trådbundna tryckknappen och centralstyra från den trådlösa tryckknappen.

Dimmeraktor 17 094 16

Säljare Nord- och Mellan-Sverige.
Eltako Electronics.
www.eltako.se

Be Logga in eller Skapa ett konto ansluta till konversationen.

Sidan laddades på: 0.108 sekunder

Senaste foruminlägg